致电我们 029-84613682
基恩科项目管理系统
当前位置: 首页  > 产品分类  > 细胞  > 野生型细胞  > 查看详情

SIHA(人子宫颈鳞癌细胞)

货号:GC080100362

规格:5×10^5cells/瓶

价格:¥1200.00

生长培养基:DMEM+10%+1%

产品描述
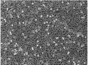
       SiHa细胞是建自一个日本病人的外科手术的原位组织样品。电镜观察表明,在SiHa细胞连接处有典型的桥粒,在SiHa细胞胞质中有丰富的张力丝。在裸鼠中,SiHa细胞能形成低分化的表皮样癌(Ⅲ级);SiHa细胞中,癌基因PRB和p53阳性。
 
基本信息
细胞别称 Siha; SIHA
细胞来源 子宫颈鳞癌
细胞形态 上皮细胞样
细胞类型 肿瘤细胞
生长特性 贴壁生长
安全等级 BSL1
包装规格 T25瓶或者1mL冻存管包装
倍增时间 2~3天
传代比例 1:2-1:4(具体情况视细胞生长速度及密度决定)
保藏机构 ATCC  CRL-1690

【培养保存】
培养体系DMEM+10%FBS+1%PS
培养条件气相:空气,95%;CO2,5%;温度:37℃
冻存条件基础培养基+10%DMSO+20%FBS,液氮保存
【传代步骤】
细胞密度达80%-90%,即可进行传代培养。
(1).弃去培养上清,用不含钙、镁离子的PBS润洗细胞1-2次;
(2).1ml消化液于培养瓶中,置于37培养箱中消化2-4分钟,然后在显微镜下观察细胞消化情况,若细胞大部分变圆并脱落,迅速拿回操作台,轻敲几下培养瓶后加胰酶3倍体积的培养基终止消化;
(3).用巴氏管轻轻打匀后吸出,在1000RPM条件下离心5分钟,弃去上清液,加入培养液后吹匀;
(4).收到细胞后首次传代推荐将细胞悬液按1:2的比例分到新的含6ml培养基的新皿中或者瓶中,建议冻存一支备用,后续传代根据实际情况按1:2到1:4的比例进行。
【冻存步骤】
1).细胞冻存时,弃去培养基后,PBS清洗一遍后加入1ml胰酶,细胞变圆脱落后,加入3ml含血清的培养基终止消化,可使用血球计数板计数;
2).5min 1000rpm 离心去掉上清。加1ml血清重悬细胞,根据细胞数量加入血清和DMSO,轻轻混匀,DMSO终浓度为10%,细胞密度不低于1x10(6)/ml,每支冻存管冻存1ml细胞悬液,注意冻存管做好标识;
3).将冻存管置于程序降温盒中,放入-80度冰箱,至少2个小时以后转入液氮灌储存。记录冻存管位置以便下次拿取
STR鉴定