致电我们 029-84613682
基恩科项目管理系统
首页
技术服务
病毒服务
慢病毒(LV)
非整合慢病毒(IDLV)
腺病毒(AD)
腺相关病毒(AAV)
病毒样颗粒蛋白(VLP)
脂质体纳米颗粒(LNP)
细胞服务
稳转细胞系
基因敲除细胞系
基因敲入细胞系
点突变细胞系
Seahorse细胞能量代谢
STR鉴定
Car-T细胞技术服务
基因服务
载体定制服务
cDNA克隆
启动子克隆
siRNA合成
miRNA合成
基因合成
双荧光素酶实验
IVT-mRNA
产品分类
质粒
骨架载体
干扰质粒
慢病毒质粒
腺病毒质粒
腺相关病毒质粒
转座子表达质粒
双荧光素酶质粒
病毒
慢病毒(LV)
非整合慢病毒(IDLV)
腺病毒(AD)
腺相关病毒(AAV)
病毒样颗粒蛋白(VLP)
脂质体纳米颗粒(LNP)
细胞
野生型细胞
敲除细胞
敲入细胞
过表达细胞
干扰细胞
Cas9稳转细胞
luciferase标记稳转细胞系
试剂
常规试剂
即用型试剂
检测试剂盒
(滴度检测)
T7体外转录试剂盒
细胞治疗
技术支持
资料下载
前沿递送
软件工具
常见问题解答
关于我们
当前位置:
首页
>
产品分类
>
细胞
>
野生型细胞
>
查看详情
prev
next
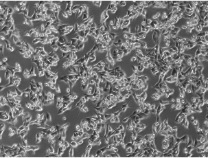
A431(人表皮癌细胞)
货号:
GC080100379
规格:
5×10^5cells/瓶
价格:
¥1200.00
生长培养基:
DMEM
+
10%
+
1%
说明书
产品描述
A431是一种人皮肤癌细胞系,是从一名85岁的女性表皮样癌患者的表皮中获得的
,
它是由
D.J. Giard等人建立的,广泛应用于生物医学研究领域,主要用于癌症生物学、免疫肿瘤学和毒理学研究。此外,A431细胞过度表达表皮生长因子受体(EGFR),因而被用作研究细胞周期和癌症相关的细胞信号通路的有价值的体外模型。
基本信息
细胞别称
A431
细胞来源
皮肤;上皮;皮肤癌
细胞形态
上皮细胞样
细胞类型
肿瘤细胞
生长特性
贴壁细胞
安全等级
BSL1
包装规格
T25瓶或者1mL冻存管包装
倍增时间
2~3天
传代比例
1:2-1:4(具体情况视细胞生长速度及密度决定)
保藏机构
ATCC
【培养保存】
培养体系
:
DMEM
+10%FBS
+1%PS
培养条件
:
气相
:空气,95%;CO2,5%;温度:37℃
冻存条件
:
基础培养基
+10%DMSO+20%FBS,液氮保存
【传代步骤】
当
细胞密度达
80%-90%,即可进行传代培养。
(1).
弃去培养上清,用不含钙、镁离子的
PBS润洗细胞1-2次;
(2).
加
1
ml消化液于培养瓶中,置于37
℃
培养箱中消化
2-4
分钟,然后在显微镜下观察细胞消化情况,若细胞大部分变圆并脱落,迅速拿回操作台,轻敲几下培养瓶后加
胰酶
3倍体积的
培养基终止消化;
(3).
用巴氏管
轻轻打匀后吸出,在
1000RPM条件下离心
5
分钟,弃去上清液,
加入
培养液后吹匀;
(4).
收到细胞后首次传代推荐将细胞悬液按
1:2的比例分到新的含6ml培养基的新皿中或者瓶中,建议冻存一支备用,后续传代根据实际情况按1:2到1:4的比例进行。
【冻存步骤】
(
1).细胞冻存时,弃去培养基后,PBS清洗一遍后加入1ml胰酶,细胞变圆脱落后,加入3ml含血清的培养基终止消化,可使用血球计数板计数;
(
2).5min 1000rpm 离心去掉上清。加1ml血清重悬细胞,根据细胞数量加入血清和DMSO,轻轻混匀,DMSO终浓度为10%,细胞密度不低于1x10(6)/ml,每支冻存管冻存1ml细胞悬液,注意冻存管做好标识;
(
3).将冻存管置于程序降温盒中,放入-80度冰箱,至少2个小时以后转入液氮灌储存。记录冻存管位置以便下次拿取。
STR鉴定